
Welcome to GearBlocks, the home of the ultimate Unistrut sliding hook bike storage rack. The whole idea of sliding bike storage is not new. In fact several options are available on the market, but we believe the GearBlocks approach is the most democratic. The idea was inspired by a video by “Joy of Bike” , Ultimate Bike Rack System. The idea immediately made sense. I began to follow the instructions on the barn door rails, barn door trolley’s and I quickly found out the solution was going to get expensive fast. In particular the shipping of the barn door rails was almost twice as much as the rail itself due to the weight and dimensions of the material. I started to think how I could improve this situation, because this system is what I needed to make the most of the little space I have in my garage with four full size mountain bikes to manage. You can check out a nice writeup on the system over at NSMB.com
How it works
The system is very simple and consists of four main elements:
- Strut Channel
- Sliding Hook
- End Caps
- Fasteners: truss head screws with washers and T40 Torx driver bit

What does GearBlocks Provide?
GearBlocks sells the sliding bike rail hooks, end caps, and low profile hardware for making a strut channel bike storage rack. The strut channel is a common building material like lumber which can be found in many hardware stores. Several resources are provided later in this article.
Space Saving
The smooth sliding of the rack has major space and utility features:
- More bikes in less space
- Easy loading and unloading of bikes in cramped areas
- Easy movement of bikes which allows access to items behind or near items like storage shelves, closets, water heaters, and other common obstacles in your space
- Great for hanging tools at other sporting equipment


About the hooks
The hooks are made from plastic, roller bearings and regular bike storage hooks. Currently GearBlocks has three sizes available, Standard, Large and Fat Tire. The hooks are delivered with the hook parallel to the sliding channel. In some situations the user may want the hook to be perpendicular to the sliding channel, in which case the user may notify GearBlocks when placing the order. The hooks are meant to be permanently set in one orientation or the other and are set in place when ordered.



Swiveling Hooks – (New Product)
Up to now all of GearBlocks hooks have been fixed in position. This simple design has worked well for thousands of customers. The swiveling hook is a result of many requests for hooks that rotate. The rotation allows the user to rotate bikes with the bars and seats facing the wall. GearBlocks has a standard and large swiveling hook. The swiveling hook is made from an aluminum body and a hook with machine threads. A wave spring keeps tension on the body and hook to prove some friction to keep the bikes from over – rotating. We are looking forward to see how our customers put them to use.
Testing and rating the hooks
GearBlocks has performed extensive testing on the hooks to determine the load ratings. The ratings are as follows:
- Standard hook: 35lbs (15kg)
- Large hook:65lbs (29kg)
- Fat Tire: 65lbs (29kg)
As shown below the limitation of the hook is the hook and not the body. GearBlocks has selected the rating based on how much the hook opening changes with load. The photo shows below a hook body subjected to a substantial overload.

Wall Mount Brackets

Sometimes the ceiling is too high or there is an obstacle which prevents the strut channel from being hung from the ceiling. In these cases the wall mount bracket may be the solution. These brackets are specifically designed to make sliding bike racks with strut channel. The brackets provide several additional features such as:
- Three strut mounting positions
- Right and Left Hand versions
- Shelf mounting provisions
- Attractive Silver Hammertone powder coating
- Sturdy 10ga Cold Rolled steel material

Wall Mount Extensions
These wall mounts can be extended up to 29 inches for free hanging bike installations. When extensions are used the load ratings shall be reduced by 30% to 210lbs per pair including loads on shelf.
Parts supplied by user
● 2 Additional sets per bracket – M8 x 1.25 x 22mm with Lock Nut and 2 x washers – may be requested when ordering brackets from the shop. Note: 1 set per bracket is included by default.
● 1-⅝” x 1-⅝” x 18in deep strut channel (24in struts are readily available and may be cut down to length)

Use Cases
See how people are using the sliding bike rail hooks HERE.
Measuring the layout for your sliding bike storage rack for a single strut channel
A single strut channel layout is very popular due to the reasonable cost and efficient use of space. The following sections should assist in evaluating how to install your strut channel sliding storage rack. Parameters you should consider are:
- Wheel Size
- Bike wheel base (distance between axles)
- Large or Small Hook
- Free slide or at rest against the wall
Notes:
- The bike geometry used here is a large mountain bike with a wheel base of 42in and 29in tires.
- The final layout is up to you, this is a guide only.
Hook Drop
The hook drop is measured from the bottom of the strut channel to the inner contact point of the hook:
- Standard hook:4.6in (116mm)
- Large Hook:7.0in (177mm)
- Fat Tire Hook::10.0in(254mm)
Large Hook, 29in wheel, free sliding
In this situation the bike hangs freely. Depending on the center of gravity of the bike the front or rear wheel may rest off the centerline as much as 18 degrees. If you want the bikes to slide without rubbing against the wall the strut channel will have to be mounted farther from the wall. These dimension show the minimum distance from the wall and a slight clearance from the floor. This configuration has the advantage that the overall height is lower leaving room for a taller shelf or allowing installation in a lower overhead space. The bikes will move very easily. In this configuration take extra care to level your strut channel to prevent items from sliding to one side.

Large Hook, 29in wheel, resting against the wall
With a large hook and 29in wheels it might be best to allow the hanging wheel to rest against the wall. This has the advantage that the bikes will not move around unless pulled away from the wall with a slight force. Also the strut channel can be mounted closer to the wall to save more space in the room. Some users have claimed to mount their strut channel as close at 16″ from the wall with 29″x2.6″ tires.

Small Hook and 26in wheel free hanging
With smaller wheels the tires also tend to be smaller, which is a good match for the standard hook. The strut channel can be mounted lower if needed and still have clearance with the floor.

Small Hook and 26in wheel resting on wall
In this case the wheel is allowed to rest against the wall. A slight pull is all that is needed to slide the bike around and the bike will stay put. This configuration is more tolerant to slight leveling issues.

Dual Strut Channels with 26in and 29in Bikes
Another very common situation is to mount the bikes to the ceiling by two wheels. Usually the bikes are mixed size frames and wheels. The strut channels should be mounted to accommodate the average wheel base of the bikes. Measure your bikes from axle to axle and add up the distances, then divide the total by the number of bikes to get the average wheel base. To set the first strut channel add half the size of the largest tire plus 1in. Add your averaged wheelbase distance to the first distance to set the second strut position. The maximum difference between frame axles should less than 5in to avoid having the hooks rub against the strut channel. To mix smaller kid bikes a third strut channel may be needed or simply hang the smaller bikes from one wheel.

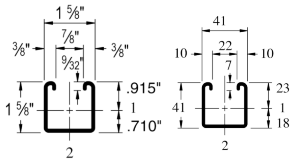
About Strut CHANNEL
Strut Channel makes these racks strong, versatile and economical. The Sliding Hooks are made to work with a standard building material called strut channel. The material is a favorite of electricians and commercial lighting and HVAC contractors. You will find this material in factories, storefronts, and warehouses all over the world. There are many different sizes of strut channel, but the most common are standard and deep strut channels. The sliding hooks are made to work with deep 1-5/8″ x 1-5/8″ (41mm x 41mm) strut channel. A great deal of information can be found at UnistrutOhio.com. Deep strut channel may come in 12ga (2.5mm) or 14ga (2.0mm) thickness. 12ga is the most common, but either will work.

Types of Strut Channel for sliding storage rack
Strut channels come in several finishes and slot configurations. The recommended strut channels are pre-galvanized or zinc plated finishes with long or short slots. Powder coated versions are available in many colors (white, black, green, yellow), but tend to be more expensive.



Where can I find Strut Channel?
The greatest thing about strut channel is that should be easy to find in stores near you. Local availability greatly reduces the cost of the system. So, where can I find strut channel? Half the battle is know what to ask for. The following list is in order top to bottom for most common and economical to least common and economical.
Sources and Common Trade Names USA
- Home Depot:SuperStrut
- Lowes : Adamax Strut
- Ace Hardware: Unistrut 1-58in 10ft Zinc
- Menards: Phoenix Support Strut Channel
- Zoro.com 5ft and 10ft: SuperStrut
- Grainger:FS-200SL Long Slots, FS-200SS Short Slots
- SPS Industrial: FS-200SL PG Long Slots
- Unistrut: P1000T
- Shellumber:SuperStrut ZA1200HS 6 Conduit Strut Channel, Steel, Gold, Galvanized
International Sources
- EU: WÜRTH VARIFIX C-ASSEMBLY
- Denmark: SOLAR DK RAPIDSTRUT(HAS SMALL TEETH OK)
- Germany: REIDL 2M STRUT (HAS SMALL TEETH BUT OK)
- France: RapidStrut 41 x 41mm 2 m, 3m
- Spain Pisa: Atricle 64966 P1000THX3
- New Zealand FDG: 41x41x2.5mm pre-galv, slotted FDG1000TP 3m ,FDG1000TP 6m
- New Zealand: 41x41x2 – 6m
- UK:DirectChannel.uk.com: 41mm Slotted Channel – 3 Metre
- UK:CEF.CO.UK: TALMEX 41x41mm slotted Strut Channel – 3m
- CANADA: Home Depot
- CANADA: ROBINSON SUPPLY
Please contact GearBlocks and let us know if you have a good source of strut channel in your area we should add to the list!
Frequently Asked Questions – FAQ
How many bikes can I install on a strut channel?
Answer: A good starting point is 1 bike per foot plus 1 foot for sliding room. So for an 10 foot strut you can install up to 9 bikes. Be aware this is a starting point it can vary greatly on the types and combinations of bikes you have.
Do the hooks swivel or rotate?
Answer: GearBlocks caries both fixed and rotating hooks.
Do you ship to Canada?
Answer: Yes, we ship to Canada! Check out our International Shipping Instructions!
My hook won’t fit in the strut!
Answer:Check out our hook-in-strut page for tips and trouble shooting.
Join GearBlocks
Stay informed about new products and events at GearBlocks!











